Как установить усилитель в машину?
В данной статье поговорим как установить автомобильный усилитель и что для этого потребуется.
Выбор места под усилитель
Самое первое, что нужно сделать перед установкой усилителя - выбрать место расположения. От этого зависит длина проводов от магнитолы к усилителю и от усилителя до колонок.
Для примера, решили установить усилитель в багажник. Значит от магнитолы нужно тянуть межблочные провода назад, а это примерно 4-5 метров. Далее - провода для колонок. Если усилитель расположен сзади - нужно рассчитать длину до передних колонок, а это примерно от 3 до 5 метров для каждого динамика. Учитывайте, что длина бывает больше расчетной, т.к. провода располагаются не по прямому участку. Также рассчитываем длину проводов от усилителя к задним колонкам.
При выборе места помните, что усилитель выделяет много тепла. Для его установки выбирайте такое место, где будет обеспечена свободная циркуляция воздуха. Не накрывайте усилитель ковриком, не устанавливайте на боку или "вверх ногами".
Если собираетесь установить усилитель спереди, например, под водительским креслом или под панелью приборов, то на проводах можно сэкономить. К тому же, считается - чем меньше длина провода, тем меньше потерь - значит лучше для звука в машине.
Существует вариант установки двух усилителей. Когда один устанавливается спереди и предназначен для работы колонок, а другой - сзади для сабвуфера.
Вариантов установки усилителя существует много и перед его установкой нужно подумать, где он будет располагаться и произвести расчеты длины проводов.
Провода для подключения усилителя
Существуют готовые комплекты проводов для подключения усилителя. Как правило, они китайские и не очень хорошего качества. Если делаете установку усилителя в первый раз, то покупка данного комплекта будет оптимальным вариантом. А
для тех, кто хочет лучшего звучания - рекомендую покупку проводов отдельно.
Для подключения усилителя можно использовать обычные медные многожильные провода. Следует учитывать, что домашние одножильные провода не подойдут, нужен только многожильный провод (много мелких проводков в одном проводе). Для подключения акустики подойдет провод "ПВС", который можно купить в любом хозяйственном магазине электрики.
Например, для передних и задних колонок можно купить кабель "ПВС 2х2.5", для твитеров - "2х1.5", а для подключения сабвуфера - "2х4". Все зависит от длины провода и мощности колонок. Чем длиннее провод, тем толще он должен быть.
Тоже касается силовых проводов для подключения усилителя (к плюсу и минусу). Если устанавливаете простую музыку, подойдет обычный провод. Его подключают к проводу, что питает магнитолу, а минус – к кузову авто. Это неправильно и могут быть потери, что скажется на звучании.

Лучший вариант -
подключение силовых проводов от усилителя непосредственно к аккумулятору автомобиля. И провод надо выбирать толстый. Например, многие автолюбители советуют покупать обычные провода марки "КГ" толщиной от 25 до 35 ("КГ-25" или "КГ-35").
Плюсовой провод должен быть подключен через колбу с предохранителем, по номиналу соответствующему предохранителю на усилителе, сама колба должна располагаться на расстоянии не далее 30 см от аккумулятора. Для подключения питающего провода к магнитоле можно использовать любой одножильный провод, он влияния на звучание не отказывает. Если не хотите покупать провода "ПВС" или "КГ", тогда есть специальные акустические провода. Они бывают не лучшего качества, но для простой системы сойдут.
Если имеются установочные комплекты, то выбирайте с самыми толстыми проводами - это улучшит качество звука и позволит подключить к проводам питания несколько усилителей. Используйте силовые провода не тоньше 4 Ga (сечение 21 мм2) длиной не более 5 метров. Минусовой и плюсовой провод должны быть одинакового сечения.
Отдельного слова требуют межблочные провода. Если купили комплект для подключения, то в него входят эти провода. Конечно, данные провода будут работать, но качественного звучания с ними не добиться. Если хотите хороший звук, придётся потратить деньги на покупку отдельных межблочных проводов. Лучше покупать межблоки хороших фирм - DAXX или Чернов.
На личном опыте убедился, что замена межблочных проводов с китайских Mystery на DAXX улучшает качество звучания акустики. Следует помнить - межблочные провода непосредственно влияют на звук.
Подключение усилителя своими руками
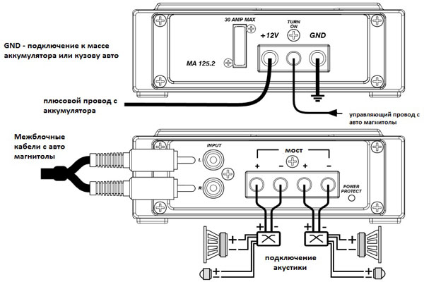
Для начала подсоединяем межблочные провода от магнитолы к усилителю. Если у вас четырехканальный усилитель, то потребуется две пары межблоков, для двухканального – одна пара межблочных проводов.

Далее подключаем силовые провода к усилителю (это плюс и минус). Лучший вариант - это непосредственное подключение плюса и минуса к клеммам аккумулятора. Для упрощения, можно минусовой провод подключить на корпус автомобиля, а не тянуть до минуса аккумулятора. Управляющий провод от усилителя к магнитоле подключается без особых сложностей.
При установке усилителя в багажнике, выполняйте прокладку проводов питания в тех же местах, где расположены другие кабели автомобиля. Многие авто имеют изолированные каналы для проводки кабелей.

Для подключения проводов существуют специальные акустические клеммы. Самое важное - это надежный контакт провода и если нет возможности, то усилитель можно подключать и без специальных клемм. Конденсатор при установке усилителя подключать не обязательно, если имеются хорошие провода и надежное соединение.
Следующий шаг - это подключение акустических проводов от усилителя к колонкам или сабвуферу. Если даже перепутали полярность, то ничего страшного. После проверки усилителя можно будет прослушать колонки, и если они играют неправильно, то просто поменяйте полярность проводов. Главное надежный контакт, чтобы они не отвалились от вибраций.
Не прокладывайте провода акустических систем рядом с кабелями питания. Силовые провода могут создавать звук, напоминающий сирену. Прокладывайте провода питания и акустических систем по разным сторонам авто. Когда все провода подсоединены - процесс установки усилителя завершен. Далее проверяем его работу, все ли правильно подключено.